четверг, 14 февраля 2013 г.

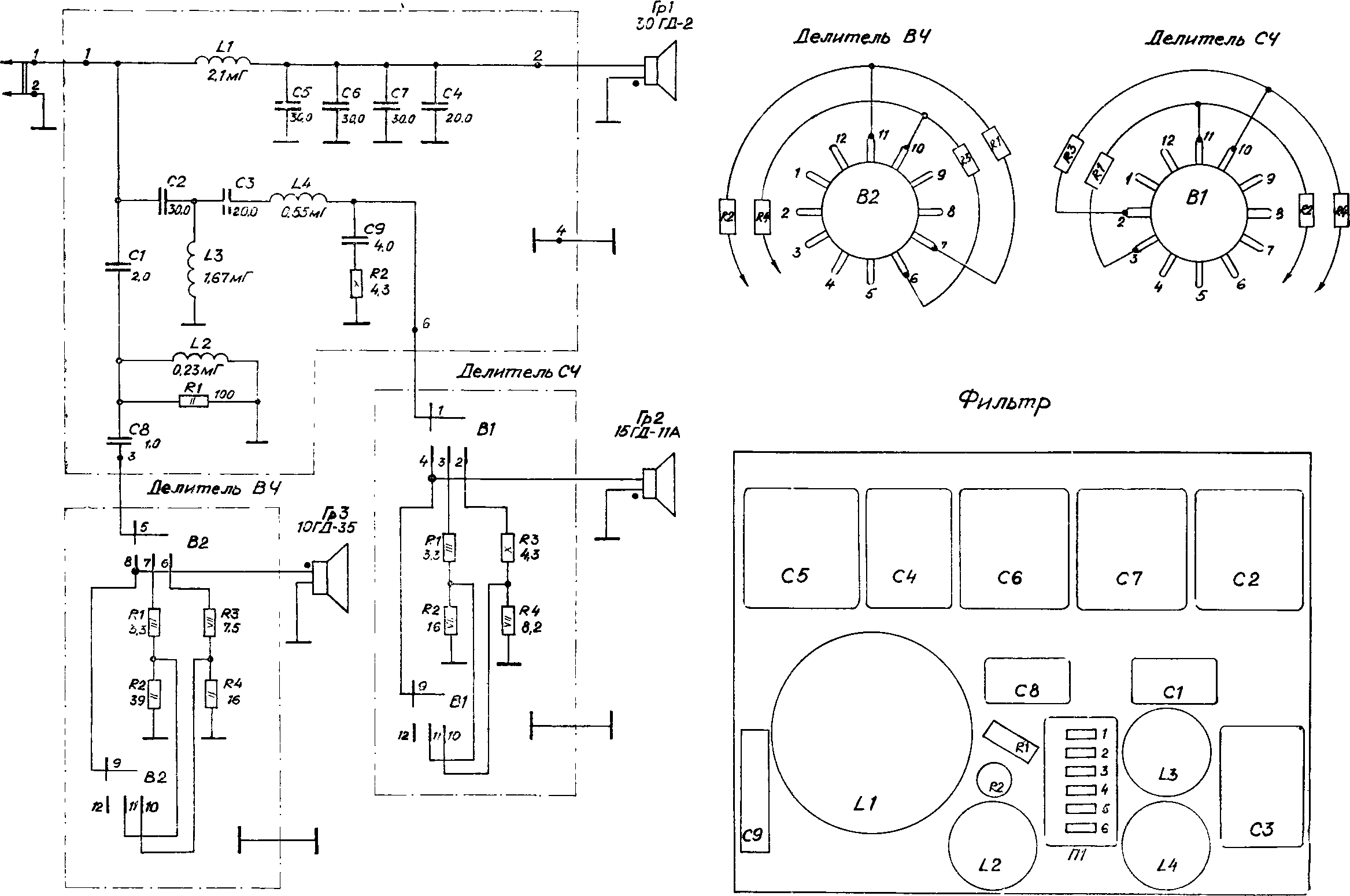
акустика radiotehnika s90 схема

О нет! Где JavaScript?У Вашего браузера отключен JavaScript или он просто не поддерживает JavaScript. Пожалуйста включите JavaScript на Вашем веб-браузере для нормального просмотра данного веб-сайта, или обновите свой браузер на поддерживаемый JavaScript; , , , или

Переводчик - Translator

· Новый пользователь:

· Всего пользователей: 3,264

· Пользователей: 0

Последние статьи

Казахстанский компьютерный портал - Статьи: Radiotehnika S-90 35АС-212 советская акустика

Комментариев нет:

Отправить комментарий